|
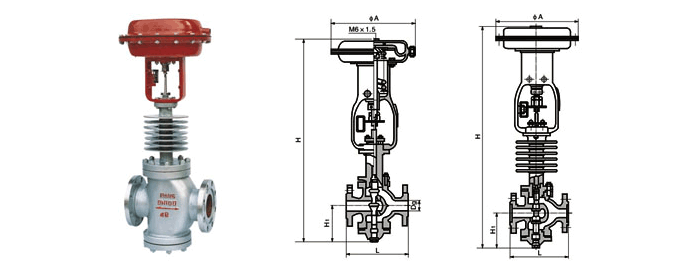
公(gōng)稱通徑DN |
L |
ZMAP型(xíng)
Type |
ZMAP型
Type |
ØA | 輸出壓(ya)力 | 額定流(liu)量系數C | |||||||||
| 單(dān)座 | 雙座 | ||||||||||||||
|
PN1.6
(MPa) |
PN6.4
(MPa) |
H | H1 | H | H 1 | 0.2 | 0.4 | 0.2 | 0.4 | 單(dan)座 | 雙座 | ||||
| 常(chang)溫型 | 散熱(rè)型 | 常溫型(xíng) | 散熱型 | 允(yun)許壓蓋 | 允(yun)許壓蓋 | ||||||||||
| 20 | 180 | 190 | 654 | 799 | 93 | - | - | - | 280 | 13 | 27 | - | - | 1.2-5 | - |
| 25 | 185 | 205 | 669 | 725 | 110 | 679 | 785 | 117 | 8 | 16 | 54 | 64 | 8 | 10 | |
| 32 | 200 | 220 | 680 | 786 | 120 | 684 | 790 | 120 | 5 | 11 | 44 | 64 | 12 | 16 | |
| 40 | 220 | 240 | 754 | 854 | 130 | 774 | 874 | 138 | 325 | 5 | 10 | 46 | 64 | 20 | 25 |
| 50 | 250 | 265 | 785 | 885 | 145 | 785 | 885 | 144 | 3 | 6 | 38 | 64 | 32 | 40 | |
| 65 | 275 | 295 | 991 | 1138 | 180 | 1011 | 1158 | 188 | 410 | 3 | 6 | 47 | 64 | 50 | 63 |
| 80 | 305 | 325 | 1008 | 1162 | 190 | 1042 | 1196 | 208 | 2 | 4 | 36 | 64 | 80 | 100 | |
| 100 | 350 | 370 | 1015 | 1169 | 195 | 1065 | 1210 | 220 | 1.2 | 2.4 | 28 | 56 | 120 | 160 | |
| 125 | 410 | 440 | 1268 | 1461 | 240 | 1318 | 1501 | 267 | 495 | 1.2 | 2.4 | 37.5 | 64 | 200 | 250 |
| 150 | 450 | 475 | 1286 | 1469 | 250 | 1340 | 1523 | 278 | 0.8 | 1.6 | 27 | 54 | 280 | 400 | |
| 200 | 550 | 570 | 1363 | 1546 | 290 | 1423 | 1660 | 320 | 0.8 | 1 | 21.5 | 43 | 450 | 630 | |
特(tè)點:
- 單座調(diao)節閥:具有(you)易密封,洩(xiè)露量少的(de)特點,但不(bu)平衡力較(jiao)大🆚,故💃🏻工作(zuo)壓差不宜(yí)過高。
- 雙座(zuo)調節閥:具(jù)有額定流(liu)量系數大(da),不平衡力(lì)小等優點(dian),因而被廣(guǎng)泛應用。
文(wén)章分頁: 1