| 産(chǎn)品規範 | 設計(ji)規範 |
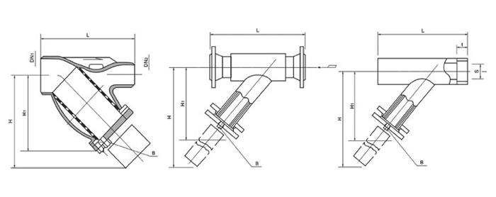
結構長(zhǎng)度 |
連接法蘭(lan) |
試驗-檢驗 | 産(chǎn)品标識 | 供貨(huò)規範 |
| HG/T21637 | GB/T21637 | JB/T79 | JB/T9092 | GB/T12220 | JB/T7928 |
|
型号 |
連(lián)接方式 |
公稱(cheng)壓力PN
(MPa) |
耐壓試(shi)驗壓力
(MPa) |
工作(zuo)壓力
(MPa) |
殼體材(cai)料 | 過濾網材(cai)料 | 網眼總面(miàn)積 |
| SY4P-10 | 法蘭Flange | 1.0 |
1.1 |
1.0 | 灰鑄(zhù)鐵 | 不鏽鋼 | 3-4DN |
| SY4P-16 | 法(fa)蘭Flange | 1.6 | 1.76 | 1.6 | 球墨鑄鐵(tie) | ||
| SY4P-16 | 法蘭Flange | 2.5 | 2.75 | 2.5 | 碳鋼 |
|
零(ling)件名稱 |
零部(bu)件材料 | |||||
| 閥體(ti)、閥蓋 | 25 | WCB |
CF8
|
CF8M |
CF3 | CF3M |
| 網架 | 25 | 35 | 1Cr18Ni9TI | 1Cr18Ni12Mo2Ti | 00Cr18Ni10 | 00Cr17Ni42Mo2 |
| 濾(lü)網 | 1Cr18Ni9TI | 1Cr18Ni9TI | 00Cr18Ni10 | |||
| 墊片 | 18-8柔性(xing)石墨 18-8、Flexble Craphite | |||||
| 螺栓 | 35 | 1Cr17Ni2 | 1Cr18Ni9TI | |||
| 适(shì)用溫度 | -29-+425°C | -40-+200°C | -40-+200°C | |||
| 适用(yong)介質 | 水、油品(pǐn)、蒸汽 | 硝酸類(lei) | 醋酸類 | |||
|
公稱(chēng)通徑DN |
L | G | H | H1 | B | 有效過(guo)濾面積 | WT(kg) |
| SY11C-H10 SY11C-H16 SY11C-H25 | |||||||
| 15 | 100 | 1/2m | 74 | 99 | ZG3/8m | 0.00185 | 0.78 |
| 20 | 110 | 3/4m | 88 | 127 | ZG1/2m | 0.00281 | 1.10 |
| 25 | 130 | 1m | 103 | 150 | ZG1/2m | 0.00343 | 1.43 |
| 32 | 160 | 1 1/4m | 110 | 163 | ZG1/2m | 0.00486 | 2.11 |
| 40 | 180 | 1 1/2m | 132 | 203 | ZG1/2m | 0.00767 | 3.07 |
| 50 | 200 | 2m | 163 | 243 | ZG1/2m | 0.01160 | 3.91 |
|
NPS |
DN | NPT | L | H | H1 | B | 有效(xiào)過濾面積 | WT(kg) |
| in | mm | |||||||
| SY11C-H10 SY11C-H16 SY11C-H25 | ||||||||
| 3/4 | 15 | 1/2m | 100 | 74 | 99 | ZG3/8m | 0.00185 | 0.78 |
| 1/2 | 20 | 3/4m | 110 | 88 | 127 | ZG1/2m | 0.00281 | 1.10 |
| 1 | 25 | 1m | 130 | 103 | 150 | ZG1/2m | 0.00343 | 1.43 |
| 1 1/4 | 32 | 1 1/4m | 160 | 110 | 163 | ZG1/2m | 0.00486 | 2.11 |
| 1 1/2 | 40 | 1 1/2m | 180 | 132 | 203 | ZG1/2m | 0.00767 | 3.07 |
| 2 | 50 | 2m | 200 | 163 | 243 | ZG1/2m | 0.01160 | 3.91 |
| L | H | H1 | B | 有效(xiào)過濾面積 | WT(kg) | ||||||
| SY14C | SY14S | ||||||||||
| PN1.0 | PN2.5 | PN4.0 | PN1.0 | PN2.5 | PN4.0 | ||||||
| SY11C-H10 SY11C-H16 SY11C-H25 SY14C-H40 SY14S-H10 SY14S-H16 SY14S-H25 SY14S-H40 | |||||||||||
| 15 | 100 | 87 | 120 | ZG3/8m | 0.00185 | 2.62 | 2.74 | 2.81 | 2.80 | 2.85 | 2.85 |
| 20 | 130 | 105 | 148 | ZG1/2m | 0.00281 | 3.00 | 3.06 | 3.06 | 3.05 | 3.11 | 3.11 |
| 25 | 150 | 114 | 176 | ZG1/2m | 0.00343 | 3.70 | 3.78 | 3.98 | 3.80 | 3.84 | 3.84 |
| 32 | 160 | 124 | 193 | ZG1/2m | 0.00486 | 5.35 | 5.46 | 5.46 | 5.43 | 5.54 | 5.54 |
| 40 | 200 | 156 | 237 | ZG1/2m | 0.00767 | 6.54 | 6.60 | 7.01 | 6.62 | 6.72 | 6.72 |
| 50 | 220 | 181 | 270 | ZG1/2m | 0.01160 | 9.21 | 9.46 | 9.97 | 10.9 | 11.1 | 11.1 |
| 65 | 290 | 250 | 369 | ZG3/4m | 0.02111 | 20.2 | 21.6 | 22.7 | 22.4 | 23.9 | 24.1 |
| 80 | 310 | 280 | 429 | ZG3/4m | 0.03029 | 23.4 | 25.1 | 27.4 | 26.6 | 27.7 | 28.5 |
| 100 | 350 | 320 | 488 | ZG3/4m | 0.04033 | 31.2 | 34.2 | 38.3 | 34.6 | 37.1 | 38.5 |
| 125 | 400 | 374 | 547 | ZG3/4m | 0.05589 | 44.1 | 49.1 | 56.9 | 50.5 | 54.6 | 57.8 |
| 150 | 480 | 430 | 622 | ZG3/4m | 0.07709 | 54.5 | 61.3 | 72.0 | 63.9 | 70.7 | 74.2 |
| 200 | 550 | 515 | 741 | ZG3/4m | 0.11967 | 81.0 | 93.3 | 127.7 | 85.3 | 97.0 | 120.5 |
| DN | L | H | H1 | B | 有(you)效過濾面積(jī) | WT(kg) | ||||
| SY14C | SY14S | |||||||||
| in | mm | 150LB | 300LB | 150LB | 300LB | |||||
| SY11C-H10 SY11C-H16 SY11C-H25 SY14C-H40 SY14S-H10 SY14S-H16 SY14S-H25 SY14S-H40 | ||||||||||
| 1/2 | 15 | 100 | 87 | 120 | ZG3/8m | 0.00185 | 1.96 | 2.47 | 2.10 | 2.51 |
| 3/4 | 20 | 130 | 105 | 148 | ZG1/2m | 0.00281 | 2.25 | 3.35 | 2.29 | 3.40 |
| 1 | 25 | 150 | 114 | 176 | ZG1/2m | 0.00343 | 3.05 | 4.19 | 3.10 | 4.25 |
| 1 1/4 | 32 | 160 | 124 | 193 | ZG1/2m | 0.00486 | 4.14 | 5.85 | 4.24 | 5.64 |
| 1 1/2 | 40 | 200 | 156 | 237 | ZG1/2m | 0.00767 | 6..09 | 8.49 | 6.20 | 8.63 |
| 2 | 50 | 220 | 181 | 270 | ZG1/2m | 0.01160 | 8.57 | 11.0 | 9.68 | 11.2 |
| 2 1/2 | 65 | 290 | 259 | 369 | ZG3/4m | 0.02111 | 22.7 | 27.7 | 23.6 | 29.0 |
| 3 | 80 | 310 | 293 | 429 | ZG3/4m | 0.03029 | 25.2 | 37.6 | 27.8 | 38.2 |
| 4 | 100 | 350 | 324 | 488 | ZG3/4m | 0.04033 | 33.7 | 58.0 | 36.7 | 57.2 |
| 5 | 125 | 400 | 390 | 547 | ZG3/4m | 0.05589 | 48.1 | 76.4 | 52.1 | 76.6 |
| 6 | 150 | 480 | 448 | 622 | ZG3/4m | 0.07709 | 59.7 | 112.1 | 66.8 | 104.4 |
| 8 | 200 | 550 | 535 | 741 | ZG3/4m | 0.11967 | 87.3 | 183.2 | 91.2 | 175.6 |
|
公稱通徑DN |
L | H | H1 | WT(kg) |
| SY14C-J10 SY14C-J16 SY14C-J25 SY14S-J10 SY14S-J16 SY14S-J25 | ||||
| 15 | 130 | 87 | 120 | 2.7 |
| 20 | 150 | 105 | 150 | 3.1 |
| 25 | 160 | 115 | 176 | 3.8 |
| 32 | 180 | 125 | 193 | 5.5 |
| 40 | 200 | 156 | 237 | 6.6 |
| 50 | 230 | 131 | 270 | 9.4 |
| 65 | 290 | 250 | 370 | 21.6 |
| 80 | 310 | 280 | 430 | 25.1 |
| 100 | 350 | 320 | 488 | 34.2 |
| 125 | 400 | 375 | 547 | 49.1 |
| 150 | 480 | 430 | 622 | 61.3 |
| 200 | 600 | 515 | 741 | 93.3 |
| 250 | 730 | 550 | 880 | 126 |
|
公(gōng)稱通徑DN |
L | H | H1 | WT(kg) |
| SY11C-J10 SY11C-J16 SY11S-J10 SY11S-J16 | ||||
| 15 | 90 | 75 | 100 | 0.8 |
| 20 | 100 | 90 | 130 | 1.2 |
| 25 | 120 | 105 | 150 | 1.4 |
| 32 | 140 | 110 | 165 | 2.1 |
| 40 | 170 | 135 | 205 | 3.1 |
| 50 | 200 | 165 | 245 | 4.0 |