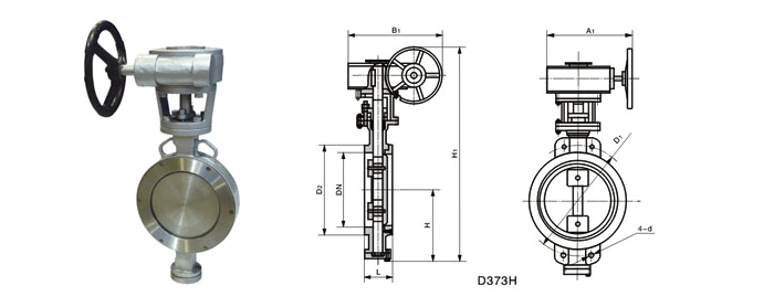
| 公(gōng)稱通經DN |
結構長(zhang)度
(标準值) |
外形(xing)尺寸(參考值) | 連(lián)接尺寸(标準值(zhí)) | |||||||||||||
| H | D373H | D673H | D973H | PN0.6MPa | PN1.0MPa | |||||||||||
|
毫米
mm |
英寸
inch |
L | H1 | A1 | B1 | H2 | A2 | B2 | H3 | A3 | B3 | D1 | Z-D | D1 | Z-D | |
|
50 |
2 |
43 |
112 |
180 |
200 | 625 |
245 |
72 | 530 | 250 | 255 | 110 | 4-14 | 125 | 4-18 | |
| 65 |
2
1/2 |
46 | 115 | 370 | 180 | 200 | 625 | 245 | 72 | 530 | 250 | 255 | 130 | 4-14 | 145 | 4-18 |
| 80 | 3 | 49 | 120 | 380 | 180 | 200 | 645 | 245 | 72 | 565 | 250 | 255 | 150 | 4-18 | 160 | 8-18 |
| 100 | 4 | 56 | 138 | 420 | 180 | 200 | 675 | 355 | 92 | 600 | 250 | 255 | 170 | 4-18 | 180 | 8-18 |
| 125 | 5 | 64 | 164 | 460 | 180 | 200 | 715 | 355 | 92 | 640 | 250 | 255 | 200 | 8-18 | 210 | 8-18 |
| 150 | 6 | 70 | 175 | 555 | 270 | 280 | 800 | 355 | 92 | 705 | 300 | 315 | 225 | 8-18 | 240 | 8-22 |
| 200 | 8 | 71 | 208 | 605 | 270 | 280 | 850 | 250 | 170 | 775 | 300 | 315 | 280 | 8-18 | 295 | 8-22 |
| 250 | 10 | 76 | 243 | 680 | 270 | 280 | 925 | 250 | 170 | 945 | 300 | 315 | 335 | 12-15 | 350 | 12-15 |
| 300 | 12 | 83 | 283 | 800 | 380 | 420 | 1035 | 450 | 220 | 1070 | 300 | 315 | 395 | 12-15 | 400 | 12-15 |
| 350 | 14 | 92 | 310 | 835 | 380 | 420 | 1070 | 450 | 220 | 1140 | 300 | 315 | 445 | 12-15 | 460 | 16-22 |
| 400 | 16 | 102 | 340 | 915 | 450 | 470 | 1190 | 450 | 220 | 1210 | 300 | 315 | 495 | 16-22 | 515 | 16-26 |
| 450 | 18 | 114 | 380 | 960 | 480 | 490 | 1250 | 650 | 280 | 1335 | 575 | 714 | 550 | 16-22 | 565 | 20-26 |
| 500 | 20 | 127 | 410 | 1020 | 480 | 490 | 1290 | 650 | 280 | 1415 | 575 | 714 | 600 | 20-22 | 620 | 20-26 |
| 600 | 24 | 154 | 470 | 1225 | 480 | 490 | 1455 | 850 | 380 | 1605 | 656 | 810 | 705 | 20-26 | 725 | 20-30 |
| 700 | 28 | 165 | 550 | 1355 | 640 | 660 | 1585 | 850 | 380 | 1844 | 656 | 810 | 810 | 24-26 | 840 | 24-30 |
| 800 | 32 | 190 | 640 | 1470 | 640 | 660 | 1700 | 1250 | 380 | 2040 | 656 | 810 | 920 | 24-30 | 950 | 24-33 |
| 900 | 36 | 203 | 710 | 1545 | 750 | 860 | 1965 | 1250 | 380 | 2255 | 785 | 863 | 1020 | 24-30 | 1050 | 28-33 |
| 1000 | 40 | 216 | 770 | 1795 | 850 | 900 | 2015 | 1250 | 380 | 2380 | 785 | 863 | 1120 | 28-30 | 1160 | 28-36 |
| 1200 | 48 | 254 | 890 | 1965 | 850 | 900 | 2250 | 1250 | 380 | 2640 | 785 | 863 | 1340 | 32-33 | 1380 | 32-39 |
| 公稱(chēng)通經DN |
結構長度(du)
(标準值) |
外形尺(chi)寸(參考值) | 連接(jie)尺寸(标準值) | |||||||||||||
| H | D373H | D673H | D973H | PN0.6MPa | PN1.0MPa | |||||||||||
|
毫(háo)米
mm |
英寸
inch |
L | H1 | A1 | B1 | H2 | A2 | B2 | H3 | A3 | B3 | D1 | Z-D | D1 | Z-D | |
|
50 |
2 |
112 |
350 |
180 |
200 | 625 |
245 |
72 | 530 | 250 | 255 | 125 | 4-14 | 125 | 4-18 | |
| 65 |
2
1/2 |
46 | 115 | 370 | 180 | 200 | 625 | 245 | 72 | 530 | 250 | 255 | 145 | 4-14 | 145 | 8-18 |
| 80 | 3 | 49 | 120 | 380 | 180 | 200 | 645 | 245 | 72 | 565 | 250 | 255 | 160 | 8-18 | 160 | 8-18 |
| 100 | 4 | 56 | 138 | 420 | 180 | 200 | 675 | 355 | 92 | 600 | 250 | 255 | 180 | 8-18 | 190 | 8-22 |
| 125 | 5 | 64 | 164 | 460 | 180 | 200 | 715 | 355 | 92 | 640 | 250 | 255 | 210 | 8-18 | 220 | 8-26 |
| 150 | 6 | 70 | 175 | 555 | 270 | 280 | 800 | 355 | 92 | 705 | 300 | 315 | 240 | 8-22 | 250 | 8-26 |
| 200 | 8 | 71 | 208 | 605 | 270 | 280 | 850 | 250 | 170 | 775 | 300 | 315 | 295 | 12-15 | 310 | 12-15 |
| 250 | 10 | 76 | 243 | 680 | 270 | 280 | 925 | 250 | 170 | 945 | 300 | 315 | 355 | 12-15 | 370 | 12-15 |
| 300 | 12 | 83 | 283 | 825 | 380 | 420 | 1035 | 450 | 220 | 1070 | 300 | 315 | 410 | 12-15 | 430 | 16-30 |
| 350 | 14 | 92 | 310 | 900 | 380 | 420 | 1070 | 450 | 220 | 1140 | 300 | 315 | 470 | 16-26 | 490 | 16-33 |
| 400 | 16 | 102 | 340 | 980 | 450 | 470 | 1190 | 450 | 220 | 1210 | 300 | 315 | 525 | 16-30 | 550 | 16-36 |
| 450 | 18 | 114 | 380 | 1030 | 480 | 490 | 1250 | 650 | 280 | 1335 | 575 | 714 | 585 | 20-30 | 600 | 20-36 |
| 500 | 20 | 127 | 410 | 1105 | 480 | 490 | 1290 | 650 | 280 | 1415 | 575 | 714 | 650 | 20-33 | 660 | 20-36 |
| 600 | 24 | 154 | 470 | 1310 | 480 | 490 | 1455 | 850 | 380 | 1605 | 656 | 810 | 770 | 20-36 | 770 | 20-39 |
| 700 | 28 | 165 | 550 | 1435 | 640 | 660 | 1585 | 850 | 380 | 1844 | 656 | 810 | 840 | 24-36 | 875 | 24-42 |
| 800 | 32 | 190 | 640 | 1605 | 640 | 660 | 1700 | 1250 | 380 | 2040 | 656 | 810 | 950 | 24-39 | 990 | 24-48 |
| 900 | 36 | 203 | 710 | 1745 | 750 | 860 | 1865 | 1250 | 380 | 2255 | 785 | 863 | 1050 | 28-39 | 1090 | 28-48 |
| 1000 | 40 | 216 | 770 | 1885 | 850 | 900 | 2015 | 1250 | 380 | 2380 | 785 | 863 | 1170 | 28-42 | 1210 | 28-56 |
| 1200 | 48 | 254 | 890 | 2105 | 850 | 900 | 2250 | 1250 | 380 | 2640 | 785 | 863 | 1390 | 32-48 | 1420 | 32-56 |
| 公稱通(tong)經DN |
結構長度
(标(biao)準值) |
外形尺寸(cun)(參考值) | 連接尺(chi)寸(标準值) | |||||||||||
| H | D373H | D673H | D973H | PN4.0MPa | ||||||||||
|
毫米(mi)
mm |
英寸
inch |
L | H1 | A1 | B1 | H2 | A2 | B2 | H3 | A3 | B3 | D1 | Z-D | |
|
50 |
43 |
112 |
350 |
180 |
200 | 625 |
250 |
170 | 530 | 250 | 255 | 125 | 4-18 | |
| 65 |
2
1/2 |
46 | 115 | 370 | 270 | 280 | 625 | 250 | 170 | 530 | 250 | 255 | 145 | 8-18 |
| 80 | 3 | 49 | 120 | 380 | 270 | 280 | 645 | 250 | 170 | 565 | 250 | 255 | 160 | 8-18 |
| 100 | 4 | 56 | 138 | 420 | 270 | 280 | 675 | 250 | 170 | 600 | 250 | 255 | 190 | 8-22 |
| 125 | 5 | 64 | 164 | 460 | 380 | 420 | 715 | 450 | 220 | 640 | 250 | 255 | 220 | 8-26 |
| 150 | 6 | 70 | 175 | 555 | 380 | 420 | 800 | 450 | 220 | 705 | 300 | 315 | 250 | 8-26 |
| 200 | 8 | 71 | 208 | 605 | 450 | 470 | 850 | 450 | 220 | 775 | 300 | 315 | 320 | 12-15 |
| 250 | 10 | 76 | 243 | 680 | 450 | 470 | 925 | 450 | 280 | 945 | 300 | 315 | 385 | 12-33 |
| 300 | 12 | 83 | 283 | 825 | 450 | 470 | 1035 | 650 | 280 | 1070 | 300 | 315 | 450 | 16-33 |
| 350 | 14 | 92 | 310 | 900 | 480 | 490 | 1070 | 650 | 280 | 1140 | 300 | 315 | 510 | 16-36 |
| 400 | 16 | 102 | 340 | 980 | 480 | 490 | 1190 | 650 | 280 | 1210 | 300 | 315 | 585 | 16-39 |
| 450 | 18 | 114 | 380 | 1030 | 640 | 660 | 1335 | 575 | 714 | 610 | 20-39 | |||
| 500 | 20 | 127 | 410 | 1105 | 640 | 660 | 1415 | 575 | 714 | 670 | 20-42 | |||
文章分頁(ye): 1