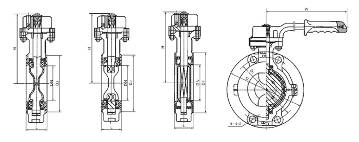
|
DN
|
NPS
(inch) |
L |
D |
D1 | D2 | F | B | N-ØD | W | D0 | H | WT(kg) |
| PN0.6MPa | ||||||||||||
| 40 | 1 1/2 | 33 | 130 | 100 | 80 | 3 | 16 | 4-Ø14 | 160 | 140 | 2.5 | |
| 50 | 2 | 43 | 140 | 110 | 90 | 3 | 16 | 4-Ø14 | 200 | 145 | 3.5 | |
| 65 | 2 1/2 | 46 | 160 | 130 | 110 | 3 | 16 | 4-Ø14 | 250 | 155 | 4.5 | |
| 80 | 3 | 46 | 182 | 150 | 125 | 3 | 18 | 4-Ø18 | 250 | 165 | 6 | |
| 100 | 4 | 52 | 205 | 170 | 145 | 3 | 18 | 4-Ø18 | 250 | 180 | 7.5 | |
| 125 | 5 | 56 | 235 | 200 | 175 | 3 | 20 | 8-Ø18 | 300 | 203 | 11 | |
| 150 | 6 | 56 | 260 | 225 | 200 | 3 | 20 | 8-Ø18 | 300 | 225 | 16 | |
| 200 | 8 | 60 | 315 | 280 | 255 | 3 | 22 | 8-Ø18 | 200 | 275 | 48 | |
| 250 | 10 | 68 | 370 | 335 | 310 | 3 | 24 | 12-Ø18 | 200 | 315 | 60 | |
| 300 | 12 | 78 | 435 | 395 | 362 | 4 | 24 | 12-Ø23 | 240 | 348 | 75 | |
| 350 | 14 | 78 | 485 | 445 | 412 | 4 | 26 | 12-Ø23 | 240 | 415 | 82 | |
| 400 | 16 | 102 | 535 | 495 | 462 | 4 | 28 | 16-Ø23 | 280 | 460 | 123 | |
| 450 | 18 | 114 | 590 | 550 | 518 | 4 | 28 | 16-Ø23 | 280 | 500 | 150 | |
| 500 | 20 | 127 | 640 | 600 | 568 | 4 | 30 | 16-Ø23 | 320 | 530 | 180 | |
| 600 | 24 | 154 | 755 | 705 | 670 | 5 | 30 | 20-Ø25 | 320 | 610 | 225 | |
| 700 | 28 | 165 | 860 | 810 | 775 | 5 | 32 | 24-Ø25 | 360 | 675 | 315 | |
| 800 | 32 | 190 | 975 | 920 | 880 | 5 | 34 | 24-Ø30 | 360 | 805 | 385 | |
| 900 | 36 | 203 | 1075 | 1020 | 980 | 5 | 36 | 24-Ø30 | 380 | 995 | 420 | |
| 1000 | 40 | 216 | 1175 | 1120 | 1080 | 5 | 36 | 28-Ø30 | 400 | 1170 | 620 | |
| 1200 | 48 | 254 | 1400 | 1340 | 1295 | 5 | 40 | 32-Ø34 | 400 | 1295 | 788 | |
|
DN
|
NPS
(inch) |
L |
D |
D1
|
D2
|
F
|
B
|
N-ØD
|
W
|
D0
|
WT(kg)
|
|
|
40
|
33
|
145
|
110
|
3
|
4-Ø18
|
160
|
|
140
|
3
|
|||
|
50
|
2
|
160
|
125
|
100
|
3
|
20
|
4-Ø18
|
200
|
145
|
4
|
||
|
65
|
180
|
145
|
120
|
3
|
20
|
4-Ø18
|
250
|
|
6
|
|||
|
3
|
46
|
195
|
135
|
3
|
22
|
4-Ø18
|
250
|
165
|
8
|
|||
|
4
|
52
|
215
|
155
|
3
|
22
|
8-Ø18
|
300
|
|
180
|
12
|
||
|
125
|
5
|
56
|
245
|
210
|
185
|
3
|
24
|
8-Ø18
|
|
18
|
||
|
150
|
6
|
56
|
280
|
240
|
210
|
3
|
24
|
8-Ø23
|
|
200
|
225
|
28
|
|
200
|
8
|
60
|
335
|
266
|
3
|
26
|
8-Ø23
|
|
200
|
275
|
56
|
|
|
250
|
68
|
390
|
350
|
320
|
3
|
12-Ø23
|
|
240
|
315
|
72
|
||
|
300
|
12
|
440
|
400
|
368
|
12-Ø23
|
|
348
|
88
|
||||
|
350
|
14
|
78
|
500
|
460
|
428
|
4
|
30
|
|
240
|
415
|
170
|
|
|
400
|
16
|
102
|
565
|
515
|
482
|
4
|
16-Ø25
|
|
280
|
145
|
||
|
450
|
18
|
114
|
615
|
565
|
4
|
32
|
20-Ø25
|
|
280
|
500
|
165
|
|
|
500
|
20
|
127
|
620
|
585
|
4
|
34
|
20-Ø25
|
320
|
530
|
195
|
||
|
600
|
24
|
154
|
780
|
5
|
36
|
20-Ø30
|
|
320
|
268
|
|||
|
700
|
165
|
895
|
800
|
40
|
24-Ø30
|
|
360
|
320
|
||||
|
32
|
190
|
1010
|
950
|
5
|
44
|
24-Ø34
|
|
360
|
805
|
395
|
||
|
900
|
36
|
203
|
1110
|
1050
|
46
|
28-Ø34
|
380
|
995
|
450
|
|||
|
40
|
216
|
1220
|
1160
|
5
|
50
|
28-Ø34
|
|
400
|
1170
|
680
|
||
|
1200
|
254
|
1450
|
1325
|
5
|
56
|
32-Ø41
|
|
400
|
1295
|
825
|
||
|
PN1.6MPa
|
||||||||||||
|
40
|
33
|
145
|
110
|
85
|
3
|
18
|
4-Ø18
|
200
|
|
145
|
4
|
|
|
50
|
2
|
43
|
160
|
125
|
100
|
3
|
4-Ø18
|
200
|
|
150
|
5
|
|
|
65
|
2 1/2
|
46
|
180
|
120
|
3
|
20
|
4-Ø18
|
250
|
|
160
|
7
|
|
|
80
|
46
|
195
|
160
|
135
|
22
|
8-Ø18
|
250
|
|
170
|
10
|
||
|
100
|
52
|
215
|
180
|
155
|
3
|
24
|
8-Ø18
|
300
|
|
185
|
14
|
|
|
5
|
245
|
210
|
185
|
3
|
26
|
8-Ø18
|
300
|
|
210
|
22
|
||
|
150
|
6
|
56
|
280
|
240
|
210
|
3
|
8-Ø23
|
|
200
|
230
|
32
|
|
|
200
|
8
|
60
|
295
|
265
|
3
|
30
|
12-Ø23
|
|
240
|
66
|
||
|
10
|
68
|
405
|
355
|
320
|
3
|
32
|
12-Ø25
|
|
||||
|
12
|
78
|
460
|
410
|
375
|
4
|
12-Ø25
|
|
280
|
360
|
|||
|
350
|
78
|
520
|
470
|
435
|
4
|
38
|
16-Ø25
|
|
280
|
430
|
125
|
|
|
400
|
16
|
102
|
580
|
485
|
4
|
40
|
16-Ø30
|
|
320
|
475
|
150
|
|
|
450
|
18
|
114
|
640
|
585
|
545
|
4
|
44
|
20-Ø30
|
320
|
525
|
172
|
|
|
500
|
20
|
127
|
608
|
4
|
20-Ø34
|
|
320
|
565
|
225
|
|||
|
600
|
24
|
154
|
840
|
718
|
5
|
54
|
24-Ø41
|
|
360
|
290
|
||
|
700
|
910
|
840
|
788
|
5
|
54
|
24-Ø41
|
|
360
|
686
|
330
|
||
|
800
|
32
|
190
|
1020
|
950
|
5
|
54
|
24-Ø41
|
|
380
|
425
|
||
|
900
|
36
|
1120
|
1050
|
998
|
5
|
54
|
28-Ø41
|
|
400
|
1010
|
495
|
|
|
1000
|
40
|
1255
|
1170
|
1110
|
5
|
28-Ø48
|
|
400
|
1185
|
710
|
||
文章分(fèn)頁: 1