一、産品概(gai)述
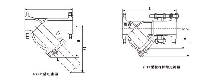
Y型過濾器,是(shi)使用水力控制(zhi)閥及精密的易(yi)堵塞的機械産(chǎn)品所必須具備(bei)的過濾設備。通(tong)常安裝于水力(lì)控制閥等設備(bei)的進口端,防止(zhi)顆粒性雜質進(jìn)入通道,造成堵(dǔ)塞,使閥門或其(qi)他設備失靈而(ér)不能正🈲常使用(yong)。Y型過濾器結構(gou)簡單,流阻小,可(ke)在線排除污物(wù)而不需拆除。Y型(xing)拉杆伸縮過濾(lǜ)器還具有安裝(zhuāng)長🔴度可調,裝拆(chāi)方便的特點。可(ke)根據需要設置(zhi)濾🥰網目🌈數,通常(chang)範圍:水18~30目、蒸氣(qì)40~100目、油100~480目。
|
二、主要(yào)技術參數
|
三、主(zhǔ)要零部件材料(liào)
|
|
型号
|
公稱壓力(lì)PN(MPa)
|
殼體試驗壓力(lì)(MPa)
|
工作壓力(MPa)
|
|
SY4P
|
1O
|
15
|
1O
|
|
YSTF
|
16
|
24
|
16
|
|
|
零件(jian)名稱
|
管體
|
濾網(wang)
|
伸縮拉杆
|
O形圈(quān)
|
|
材料
|
灰鑄鐵或(huo)球墨鑄鐵鑄鋼(gāng)
|
不鏽鋼
|
碳鋼鍍(dù)鋅
|
丁腈橡膠
|
|
四(si)、主要外形連接(jiē)尺寸: 單位:mm
|
SY4P-10型、SY4P-16型(xíng)、SY4P-25型
|
|
DN
|
65
|
80
|
100
|
125
|
150
|
200
|
250
|
300
|
350
|
400
|
450
|
500
|
|
L
|
螺紋
|
-
|
-
|
-
|
-
|
-
|
-
|
-
|
-
|
-
|
-
|
-
|
-
|
|
法蘭
|
25O
|
280
|
350
|
400
|
440
|
500
|
580
|
670
|
780
|
850
|
850
|
1OO
|
|
H
|
螺(luo)紋
|
-
|
-
|
-
|
-
|
-
|
-
|
-
|
-
|
-
|
-
|
-
|
-
|
|
法蘭
|
198
|
21O
|
250
|
305
|
358
|
450
|
503
|
578
|
598
|
618
|
693
|
765
|
|
H1
|
螺紋
|
-
|
-
|
-
|
-
|
-
|
-
|
-
|
-
|
-
|
-
|
-
|
-
|
|
法(fǎ)蘭
|
270
|
295
|
344
|
422
|
485
|
602
|
710
|
815
|
844
|
872
|
978
|
1080
|
|
YSTF-10型、YSTF-16型
|
|
DN
|
50
|
65
|
80
|
100
|
125
|
150
|
200
|
250
|
300
|
350
|
400
|
|
L
|
300
|
320
|
380
|
430
|
500
|
550
|
650
|
775
|
900
|
1025
|
1150
|
|
H
|
155
|
183
|
210
|
250
|
305
|
358
|
450
|
503
|
578
|
598
|
618
|
|
H1
|
195
|
245
|
295
|
344
|
415
|
485
|
602
|
710
|
815
|
844
|
872
|
文章分(fèn)頁:
1