防爆氣動(dong)快速切斷(duàn)閥
盲闆閥(fá)(眼睛閥)
蝶(die)閥系列
截(jie)止閥系列(liè)
球閥系列(liè)
閘閥系列(lie)
止回閥系(xì)列
過濾器(qi)系列
調節(jie)閥系列
安(an)全閥系列(lie)
水力控制(zhi)閥系列
減(jiǎn)壓閥系列(liè)
電動二通(tong)閥系列
柱(zhù)塞閥系列(lie)
電子除垢(gou)儀
執行機(jī)構
其它閥(fá)系列
南京(jing)騰州閥門(men)有限公司(sī)
陳建州 經(jing)理 工程師(shi)
地址:南京(jīng)市秦淮區(qu)升州路385号(hao)
郵編:210036
郵箱(xiāng):
[email protected]
電話:025—52218939
手機(ji):13801582818
産品展示(shi)
當前位置(zhì):
首頁
->調節(jie)閥系列
電(dian)動調節閥(fa)
發表時間(jian):2011-5-26 文字 〖
大
中(zhong)
小
〗 閱讀次(ci)數:5031
[關閉窗(chuāng)口]
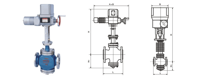
公稱通(tōng)徑DN
L
ZAZP型
ZAZN型
A
(長(zhǎng))
B
(寬)
電動執(zhi)行
機構型(xing)号
出軸推(tui)力
行程H
(mm)
額(e)定流量
系(xì)數
PN1.6
(MPa)
PN4.0
(MPa)
PN6.4
(MPa)
H
H1
H
H1
常溫型(xing)
散熱型
常(chang)溫型
散熱(rè)型
單位
雙(shuang)座
20
180
185
190
495
655
95
-
-
-
490
230
ZAZ-25
KDZ-310
25.40
(25.400)
10
1.2-5
-
25
185
190
205
767
928
112
787
937
117
DKZ-310
40
(400)
16
8
10
32
200
210
220
793
940
118
793
943
120
12
16
40
220
230
240
812
963
129
832
982
139
25
20
25
50
250
255
265
842
993
144
842
992
144
32
40
65
275
285
295
967
1127
178
987
1147
188
520
DKZ-410
64
(640)
40
50
63
80
305
310
325
990
1142
191
1017
1177
208
80
100
100
350
355
370
999
1151
195
1041
1207
220
120
160
125
410
425
440
1092
1037
245
1142
1357
270
60
200
250
150
450
460
475
1112
1327
255
1162
1377
280
280
400
200
550
560
570
1187
1402
290
1244
1459
320
450
630
250
670
740
750
-
-
-
1472
1599
440
630
260
DKZ-510
160
(1600)
100
700
1000
300
770
805
820
-
-
-
1530
1747
502
1000
1600
文章分(fèn)頁:
1
下一頁(ye): 給水回轉(zhuan)式調節閥(fá)
版權所有(yǒu):南京騰州(zhou)閥門有限(xian)公司 産品(pǐn)技術支持(chi)❌:精嘉閥門(men)集團有限(xiàn)公司 網站(zhan)技術支持(chi):
yukamito.cc
京ICP證000000号
南(nan)京百度推(tui)廣
南(nán)京百度公(gong)司
南京百 度(dù)總代理
提(ti)供建站支(zhi)持
总 公 司(si)
急 速 版
WAP 站(zhàn)
H5 版
无线端(duan)
AI 智能
3G 站
4G 站(zhàn)
5G 站
6G 站